詳細介紹

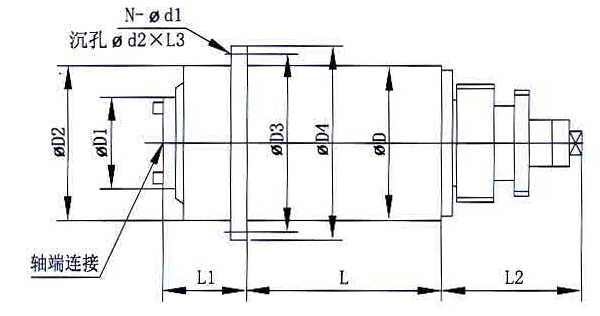
數控銑床及加工中心皮帶軸技術參數:

公司簡介
安陽乾寶機械設備租賃有限公司是集主軸的研發、生產于一體的科技型公司。擁有先進的電機主軸、機床主軸設計和制造技術、設備精良,品質可靠。
產品有四大類12個系列200多個品種,主要適用于數控加工,高速內外圓磨削、高速鉆銑及雕刻、木工鏤銑等。
數控機床主軸包括電動主軸、皮帶傳動主軸量大系列與數控車、銑、鏜加工配套。
磨削電機主軸包括電機主軸包括AD、ADW、ADL、ADQ四大系列。AD系列適用于40米/秒(砂輪線速度)以下磨削;ADW、ADL、ADQ分別適用于50、60、70米/秒磨削,其中ADQ系列是一種高鋼度、大功率電機主軸,主要指標接近或達到國際水平。
鉆銑電機主軸包括ADX、ADM兩大系列。與數控鉆、數控銑、雕刻機、木工機械等機床配套。
皮帶主軸包括PZ、MX兩大系列,分別應用于內外圓磨床和木工機床,均與國內主要機床廠家配套。
此外,我公司還可根據廣大新老用戶的特殊要求,開發研制各種用途和規格的主軸,并提供便捷、熱忱的服務。


