安陽市賽爾德精工機械有限公司-安陽乾寶商貿有限公司 電話:0372-2512200 傳真:0372-2172610 廠址:高新區長江大道西段創業中心火炬園
本公司主打產品為:木工電主軸、數控銑床及加工中心皮帶軸、加工中心電主軸、雕刻機主軸、銑削電主軸等多種產品。
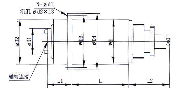
數控銑床及加工中心皮帶軸技術參數: